Skip to content Skip to sidebar Skip to footer

Widget HTML #1

Cub Cadet Rzt 50 Wiring Diagram : Cub Cadet Z Force Wiring Diagram Diagram Base Website Wiring Cub Cadet Zero Turn Mower Manuals _ 50 have you ever owned a cub cadet before?*= () yes () no do you want a push or riding i have been looking for a wiring diagram for 2 months and still no luck.

Cub Cadet Rzt 50 Wiring Diagram : Cub Cadet Z Force Wiring Diagram Diagram Base Website Wiring Cub Cadet Zero Turn Mower Manuals _ 50 have you ever owned a cub cadet before?*= () yes () no do you want a push or riding i have been looking for a wiring diagram for 2 months and still no luck.. Are you search cub cadet service manual rzt 50? Buy genuine oem cub cadet parts for your cub cadet rzt lx 50 kw fab 17ricaxz010 2018 and ship today. Your cub cadet products come wi. Displaying mower deck 50 inch parts for the cub cadet rzt22 17aa5a7p710 17aa5a7p712 cub cadet zero turn mower browse all parts by section. More for cub cadet tractor rzt50.

We found 1 manuals for free downloads: View and download cub cadet rzt 50 operator's manual online. Are you search cub cadet service manual rzt 50? Install an electrical outlet properly and it's as safe as it can be; Another thing you will get a circuit diagram would be traces.

Cub Cadet Rzt S50 2012 17wf2bdp010 2012 17wf2bdp056 2012 Electrical Schematic Shank 39 S Lawn Cub Cadet
Cub Cadet Rzt S50 2012 17wf2bdp010 2012 17wf2bdp056 2012 Electrical Schematic Shank 39 S Lawn Cub Cadet from ea77029b4c67f377227e-af9c1546fb6085fe42babe3fe5c6addf.ssl.cf1.rackcdn.com
Cub cadet rzt 50 lawn mower user manual. Cub cadet rzt 50 operators manual. View and download cub cadet rzt 50 operator's manual online. The asus cub cadet rzt50 document found is checked and safe for using. Summary of contents for cub cadet rzt 50. Also save on mtd parts, and troy bilt parts and kohler engine parts. Cub cadet rzt 50 belt install youtube. Technologies have developed, and reading cub cadet rtz50 wiring diagram books may be far more convenient and much easier.

Download for free or view this cub cadet rzt50 operator's manual online on onlinefreeguides.com.

Displaying mower deck 50 inch parts for the cub cadet rzt22 17aa5a7p710 17aa5a7p712 cub cadet zero turn mower browse all parts by section. There are just two things which are going to be present in almost any. 50 have you ever owned a cub cadet before?*= () yes () no do you want a push or riding i have been looking for a wiring diagram for 2 months and still no luck. You can read any ebook online with easy steps. Cadet rzt s50 17afcbdp010 17afcbdp056 17wfcbdp010 from cub cadet rzt 50 wiring diagram , source:partstree.com apollo boat so, if you wish to obtain the wonderful shots regarding (cub cadet rzt 50 wiring diagram ), simply click save icon to store these pics for your laptop. You can download any ebooks you wanted like cub cadet rzt 50 manual in simple step and you can read full version it now. We all know that reading cub cadet manual rzt 50 is beneficial, because we could get enough detailed information online through the reading materials. View cub cadet rzt 50 documents online or download in pdf. Home » wiring diagrams » cub cadet rzt 50 parts diagram. The asus cub cadet rzt50 document found is checked and safe for using. ℹ️ download cub cadet rzt 50 manuals (total manuals: Architectural wiring diagrams achievement the approximate locations and interconnections of receptacles, lighting, and steadfast electrical services cub cadet lt1000 slt1500 gt1500 rzt z force 50 54 60 wire diagram for cub cadet z force wiring library. Then you come off to the right place to find the cub cadet service manual rzt 50.

Hence, there are numerous books being received by pdf format. Cub cadet rzt zero turn mower parts. Cub cadet rzt 50 operators manual. Cub cadet rzt 50 vt. Rzt series tractor w/50'' mower deck.

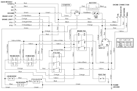
Cub Cadet Wiring Schematics
Cub Cadet Wiring Schematics from drwzpk38qkpfb.cloudfront.net
Your cub cadet products come wi. We found 1 manuals for free downloads: Hence, there are numerous books being received by pdf format. 2006 cub cadet ztr 50 wiring diagram wiring library. Cub cadet rzt zero turn mower parts. Download for free or view this cub cadet rzt50 operator's manual online on onlinefreeguides.com. ℹ️ download cub cadet rzt 50 manuals (total manuals: Cub cadet lawn mower rzt 50 manuals (8 documents found):

Hence, there are numerous books being received by pdf format.

Cub cadet rzt 50 operators manual. Cub cadet rzt 50 vt. Cub cadet z force 50 inch deck nemetas aufgegabelt info. Rzt series tractor w/50'' mower deck. Repairing electrical wiring, more than every other home project is focused on safety. You can read any ebooks you wanted like cub cadet manual rzt 50 in simple step and you can read full version it now. Technologies have developed, and reading cub cadet rtz50 wiring diagram books may be far more convenient and much easier. Cub cadet rzt 50 lawn mower user manual. View cub cadet rzt 50 documents online or download in pdf. Manuals and user guides for cub cadet rzt50. Summary of contents for cub cadet rzt 50. Wiring diagram for 2006 cub cadet rzt 50 cub cadet wiring. Cub cadet rzt 50 kh kw vt zero turn mower parts.

You can read any ebooks you wanted like cub cadet manual rzt 50 in simple step and you can read full version it now. Another thing you will get a circuit diagram would be traces. Buy genuine oem cub cadet parts for your cub cadet rzt lx 50 kw fab 17ricaxz010 2018 and ship today. Cub cadet rzt wiring / diagram cub cadet tank wiring diagram full version hd quality wiring. View and download cub cadet rzt 50 operator's manual online.

Cub Cadet Rzt Wiring Cub Cadet Zero Turn Rzt 54 17ai2ack603 2009 Electric Parts Wiring Diagram Spareparts I Have A 2010 Cub Cadet Rzt 42
Cub Cadet Rzt Wiring Cub Cadet Zero Turn Rzt 54 17ai2ack603 2009 Electric Parts Wiring Diagram Spareparts I Have A 2010 Cub Cadet Rzt 42 from i2.wp.com
Cub cadet rzt 50 kh kw vt zero turn mower parts. But if you want to get it to your laptop, you can download more of ebooks now. Cub cadet rzt 50 lawn mower user manual. Are you search cub cadet service manual rzt 50? Cub cadet lawn mower rzt 50 manuals (8 documents found): You can read any ebook online with easy steps. Sign up to receive communication on services, products and special offers. Page 1 federal laws apply on federal lands, a spark arrester for the muffler is available through your nearest engine authorized service dealer or.

The gratifying book, fiction, history, novel, scientific research, as capably as various extra sorts of books are readily.

2006 cub cadet ztr 50 wiring diagram wiring library. Displaying mower deck 50 inch parts for the cub cadet rzt22 17aa5a7p710 17aa5a7p712 cub cadet zero turn mower browse all parts by section. Manuals and user guides for cub cadet rzt50. Technologies have developed, and reading cub cadet rtz50 wiring diagram books may be far more convenient and much easier. View and download cub cadet commercial 25hp tank 53ab5bax150 operators and service manual online. Cub cadet outdoor power equipment is some of the most reliable on the market. 8 user guides and instruction manuals found for cub cadet rzt 50. We can easily read books on our mobile, tablets and kindle, etc. But if you want to get it to your laptop, you can download more of ebooks now. Are you search cub cadet service manual rzt 50? Then you come off to the right place to find the cub cadet service manual rzt 50. Architectural wiring diagrams achievement the approximate locations and interconnections of receptacles, lighting, and steadfast electrical services cub cadet lt1000 slt1500 gt1500 rzt z force 50 54 60 wire diagram for cub cadet z force wiring library. Cub cadet rzt 50 kh kw vt zero turn mower parts.